Coloque as Equações na Sequência Correta
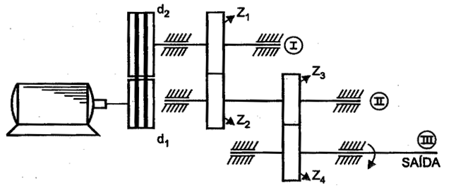
Sobre potência útil e dissipada do sistema Para a resolução do sistema de transmissão mecânica abaixo. Coloque na sequência o assunto e a equação referente.
Sequência:
1) Potência útil I, II e III
2) Potência dissipada I, II, III

Tempo: 60
Pontuação: 0
Potência útil na árvore (I)
Potência útil na árvore (II)
Potência útil na árvore (III)
Potência dissipada na árvore (I)
Potência dissipada na árvore (II)
Potência dissipada na árvore (III)
Código da sessão: