Coloque as Equações na Sequência Correta

Arraste as caixas de texto e coloque na sequência correta de cima para baixo.

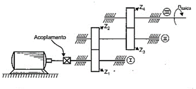
Sobre potência útil e dissipada do sistema Para a resolução do sistema de transmissão mecânica abaixo. Coloque na sequência o assunto e a equação referente.


Sequência:

1) Potência útil I, II e III

2) Potência dissipada I, II, III

Tempo: 60
Pontuação: 0
Potência útil na árvore (I)
P m o t o r * n m       [ W ]
Potência útil na árvore (II)
P m o t o r * n e * n m 2       [ W ]
Potência útil na árvore (III)
P m o t o r * n e 2 * n m       3 [ W ]
Potência dissipada na árvore (I)
P m o t o r   -   ( P m o t o r * n m )       [ W ]
Potência dissipada na árvore (II)
P m o t o r   -   ( P m o t o r * n e * n m 2 )       [ W ]
Potência dissipada na árvore (III)
P m o t o r   -   ( P m o t o r * n e 2 * n m   3 )       [ W ]
Código da sessão: